





1.Slip-On Flange (SO)
2.Raised Face Slip-On Flange (RF SO)
3.Welding Neck Flange (WN)
4.Blind Flange (BL)
5.Loose Flange
6.Threaded Flange (TH)
7.Butterfly Valve Flange
8.Socket Weld Flange (SW)
9.Flexible Joint Flange
10.Wind Tunnel Flange 风洞法兰
11.Autoclave Sterilizer Flange杀菌锅法兰
12.Sight Glass Flange Assembly 视镜法兰
13.Pressure Vessel Flange压力容器法兰
14.Tubesheet 管板
15.Butt Weld Flange (BW) 对焊法兰
16.Large Diameter Flange 大口径法兰
17.Overlay Welded Flange 堆焊法兰
18.Long Weld Neck Flange (LWN)
19.Non-standard Flange/Forged-to-order Flange
20.Electropolished flanges 电解抛光法兰
21.Sanitary flange connections for dialysate circuits 透析液循环回路的卫生级法兰
22.Non-lubricated copper-free flanges for hospital central supply systems 医院集中供氧系统用法兰
23.Ring Joint Flange (RJ) 环连接法兰
24.Lap Joint Flange (LJ) 活套法兰
25.Integral Flange 整体法兰
26.Orifice Flange 孔板法兰
27.Expander Flange 扩径法兰
28.Reducer Flange 异径法兰
29.Spectacle Blind Flange(8字盲板)
30.Anchor Flange 锚固法兰
31.Split Flange 分体法兰
32.High Hub Flange 高颈法兰
33.Flat Face Flange (FF) 平面法兰
34.Swivel Ring Flange 旋转环法兰
35.Van Stone Flange 旋转活套法兰
36.Breather Flange 呼吸法兰
37.Flush Joint Flange 平口法兰
38.Marine Flange 船用法兰
39.Cryogenic Flange 低温法兰
40.High-Purity Flange 高纯度法兰
41.Grooved Flange 沟槽法兰
42.Insulating Flange 绝缘法兰
43.Spade and Spacer Flange 垫环法兰
44.Expansion Joint Flange 膨胀节法兰
45.Galvanized Flange 镀锌法兰
46.Titanium Alloy Flange 钛合金法兰
47.3D-Printed Flange 3D打印法兰
48. Ceramic-Lined Flange 陶瓷衬里法兰
49.PTFE-Coated Flange 聚四氟乙烯涂层法兰
50.Composite Flange 复合材料法兰
51.Hastelloy Flange 哈氏合金法兰
52.Nickel-Aluminum Bronze Flange 镍铝青铜法兰
53.Clamp-On Flange 夹紧法兰
54.Quick-Release Flange 快拆法兰
55.Flanged Expansion Joint 法兰式膨胀节
56.Jacketed Flange 夹套法兰
57.Flush-Mounted Flange 嵌入式法兰
58.Bellow-Sealed Flange 波纹管密封法兰
59.Flange with Integral Gasket 一体式垫片法兰
60.Multi-Port Flange 多端口法兰
61.Reinforced Flange 加强法兰
62.Zero Clearance Flange 零间隙法兰
63.Pharmaceutical Flange 制药级法兰
64.Nuclear Flange 核用法兰
65.Food-Grade Flange 食品级法兰
66.Hydraulic Flange 液压法兰
67.Offshore Flange 海洋平台法兰
68.Firewater Flange 消防水系统法兰
69.Wastewater Flange 污水法兰
70.HVAC Flange 暖通空调法兰
71.Railway Flange 铁路用法兰
72.Aerospace Flange 航空航天法
73.Vacuum Flange 真空法兰
74.High-Frequency Flange 高频法兰
75.Explosion-Proof Flange 防爆法兰
76.Subsea Flange 海底法兰
77.Magnetic Drive Flange 磁力驱动法兰
78. Press-Connect Flange (or Crimped Flange 卡压法兰
79.混料定子法兰Mixer Stator Flange
80.旋风分离器法兰材料Cyclone Separator Flange Material
81.冷凝器/换热器/一二效加热器Condenser/Heat Exchanger/1st-2nd Effect Heater
82.蘑菇阀板Mushroom-style Valve Plate
83.活套阀圈Split Retaining Ring
84.涡街法兰Vortex Flowmeter Flange
85.冷凝器法兰Condenser Shell Flange
86.单筒篮式过滤器Monobloc Basket Strainer
87.一次等压注液机Isobaric Filling Machine (Primary)
88.钟罩活动环Bell Jar Clamping Ring
89.带齿锻造法兰Serrated Forging Flange
90.旋转盘Rotary Distributor Plate
91.罐顶法兰Tank Roof Flange (ANSI/ASME B16.48 Spectacle Blind)
92.嵌件Perforated Tray Weldment
93.锅炉Steam Boiler (ASME Sec. I Compliant)
94.筛板焊接件Welded / Seamless (Material Type)
95.凸缘法兰Raised Face (RF) Flange
96.电磁配对法兰Electromagnetic Coil Mounting Flange
97.Sun-central
98.Weld / Seamless
99.制药Pharmaceutical Grade
100.TRICYCLE FLANGE三轮车法兰
101.Marine造船
102.Hygienic food equipment卫生食品设备
103.Marine oil treatment海洋油处理
104.Oil and gas
105.Dairy processing乳制品
106.咖啡豆行业加工&出口
107.COMPANION FLANGE
108.Temporary Abandonment Flange
109.四螺栓孔分体式法兰(Four-Bolt Split Flange)
1.弯头 – Elbow
2.同心大小头 – Concentric Reducer
3.偏心大小头 – Eccentric Reducer
4.等径三通 – Equal Tee (Straight Tee)
5.异径三通 – Reducing Tee
6.等径四通 – Equal Cross
7.异径四通 – Reducing Cross
8.翻边 – Flanged End
9.管帽 – Pipe Cap
10.封头 – Dished Head(压力容器端盖)/ Head(通用)
11.短节 – Stub End(法兰连接用)
12.活接头 – Union
13.管箍 – Coupling
14.异径管箍 – Reducing Coupling
15.长半径弯头 – Long Radius Elbow (LR Elbow)
16.短半径弯头 – Short Radius Elbow (SR Elbow)
17.螺纹管件 – Threaded Fittings(标注类型如NPT, BSPT)
18.对焊管件 – Butt-Weld Fittings(需标注焊接端工艺)
19.支管台 – O-let Fitting (Integral Reinforced Branch)

Plate Flat Welding Flange
Spec:
Pres:
Mat:
DN15-DN2500
PN10-PN400
304/316L

Weld Neck Flange
Spec:
Pres:
Mat:
DN15-DN2500
PN10-PN400
304/316L

Slip-on Flange
Spec:
Pres:
Mat:
DN15-DN2500
PN10-PN400
304/316L
-3-150x150.jpg)
Threaded Flange
Spec:
Pres:
Mat:
DN15-DN2500
PN10-PN400
304/316L

Pressure Vessel Flange
Spec:
Pres:
Mat:
DN15-DN2500
PN10-PN400
304/316L

Butterfly Valve Flange
Spec:
Pres:
Mat:
DN15-DN2500
PN10-PN400
304/316L

Sanitary glass Flange
Spec:
Pres:
Mat:
DN15-DN2500
PN10-PN400
304/316L

45°90°Elbow Bend Curvas
Spec:
Thk:
Mat:
DN15-DN2500
SCH 5S-160S
304/316L

Con Ecc Reducer
Spec:
Thk:
Mat:
DN15-DN2500
SCH 5S-160S
304/316L

Equ Rdu TEE T-shirt
Spec:
Thk:
Mat:
DN15-DN2500
SCH 5S-160S
304/316L

Equ Rdu Cross
Spec:
Thk:
Mat:
DN15-DN2500
SCH 5S-160S
304/316L

Stub
Spec:
Thk:
Mat:
DN15-DN2500
SCH 5S-160S
304/316L

Cap
Spec:
Thk:
Mat:
DN15-DN2500
SCH 5S-160S
304/316L

Sanitary glass Flange
Spec:
Pres:
Mat:
DN15-DN2500
PN10-PN400
304/316L

One-piece Butterfly Ball Valve
Spec:
Thk:
Mat:
DN15-DN2500
WCB CF8/M 304/316L

One-piece Ball Valve
Spec:
Thk:
Mat:
DN15-DN2500
WCB CF8/M 304/316L

Needle Valve high pressure Stop Valve
Spec:
Thk:
Mat:
DN15-DN2500
WCB CF8/M 304/316L

Medium-sized Ball Valve 2PC
Spec:
Thk:
Mat:
DN15-DN2500
WCB CF8/M 304/316L

Circular Manhole
Spec:
Thk:
Mat:
635 – 330
304/316L

Elliptical manhole cover
Spec:
Thk:
Mat:
635 – 330
304/316L

Circular Manhole Cover
Spec:
Pres:
Mat:
635 – 330
304/316L
🔻BV ISO9001/45001/14001/15156 CE &PED AD2000 GOST certified flanges&fittings trusted by 200+ European OEMs
⛩Full Stainless Steel Pipeline without 10+ BDRs or a Lead Gen Agency
✨ Top 5 Flanges Manufacturer
SDFL ——ShangDian Flange Pipe Fittings Ltd

Come & Visit our Workshop Anytime

Slip-On Flange

Elbow

Tubesheet

Cross

Weld Neck Flange

Slip-On Flange

Elbow

Tubesheet

Cross

Weld Neck Flange
Introduction
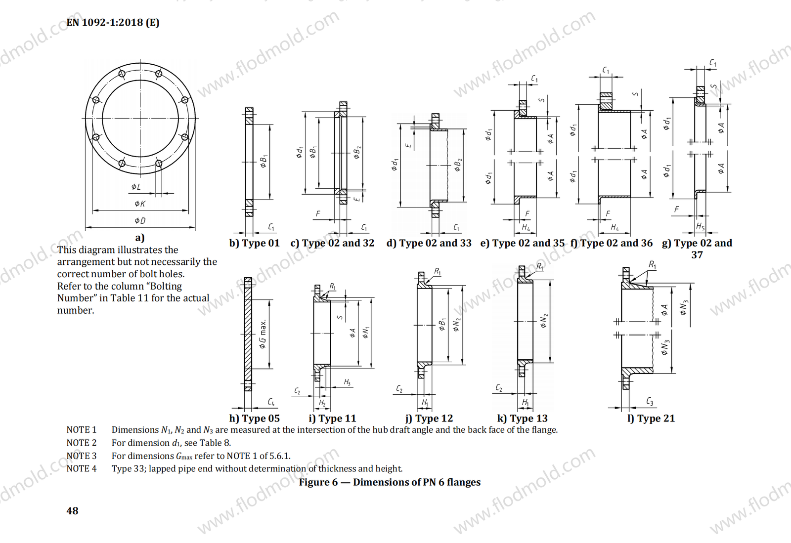
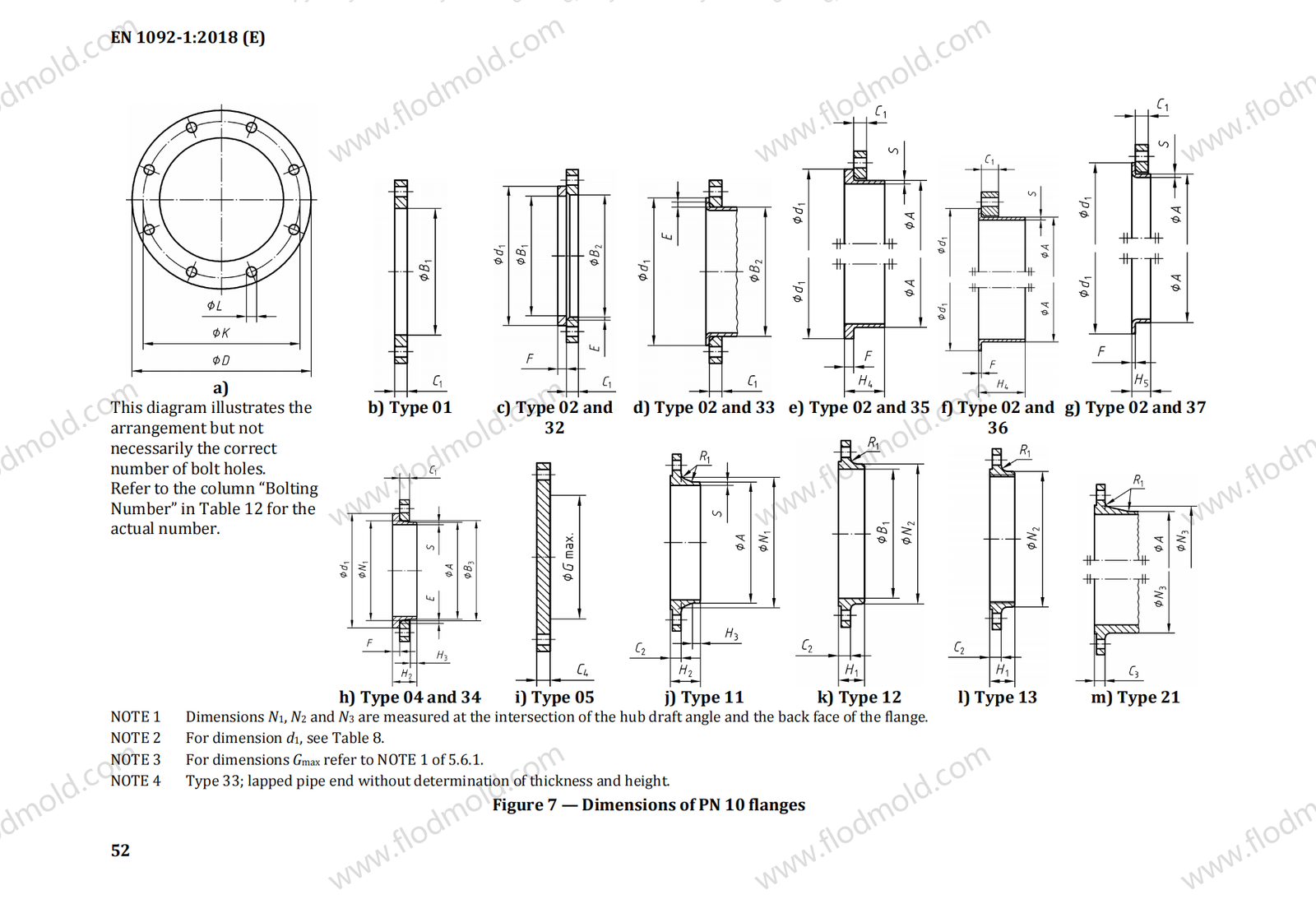
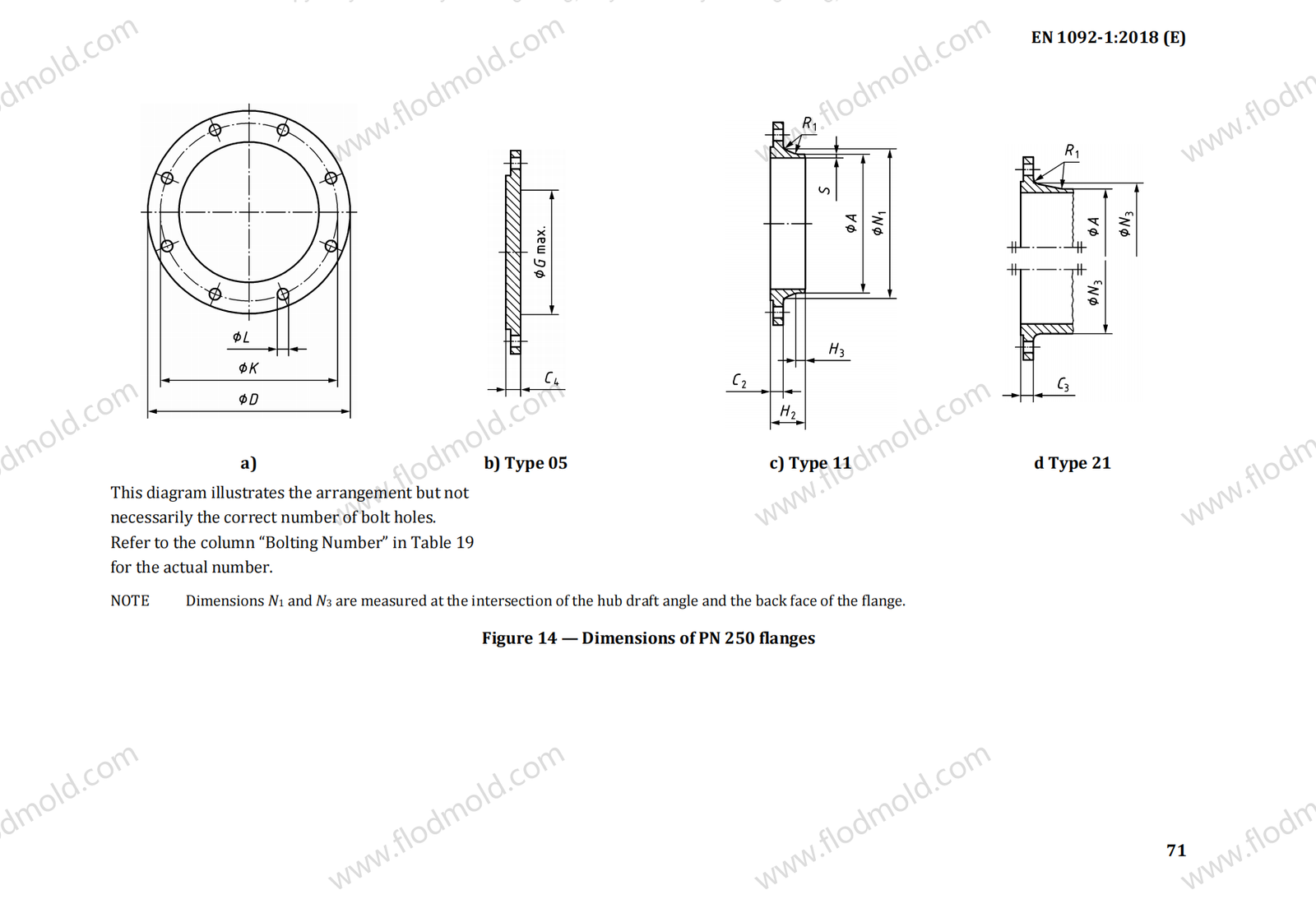
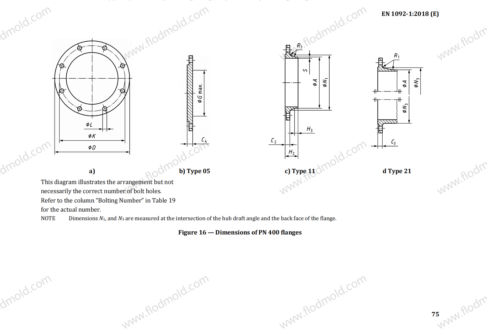
EN 1092-1:2018 “Flanges and their joints – Circular flanges for pipes, valves, fittings and accessories, PN designated– Part 1: Steel flanges”
specifies the dimensions, types, sealing faces, tolerances and marking of circular steel flanges with pressure designations from PN 2.5 to PN 400.
It covers common flange types such as plate flanges (Type 01), welding neck flanges (Type 11), threaded flanges (Type 13), loose flanges (Type 04/05), and blind flanges (Type 35/36).
This standard replaces former national standards (e.g. DIN 2576, DIN 2543) and provides a harmonized system across Europe for the design and application of pipe flanges in industries such as oil, chemical, power, mechanical engineering and water treatment.
Catalog
- Dimensions of PN 2,5 flanges
- Dimensions of PN 6 flanges
- Dimensions of PN 10 flanges
- Dimensions of PN 16 flanges
- Dimensions of PN 25 flanges
- Dimensions of PN 40 flanges
- Dimensions of PN 63 flanges
- Dimensions of PN 100 flanges
- Dimensions of PN 160 flanges
- Dimensions of PN 250 flanges
- Dimensions of PN 320 flanges
- Dimensions of PN 400 flanges





















































Have You Any Question?
What to do if Mixed Materials are found in the project?
When materials get mixed up, it’s like building a Lego set with wrong pieces eventually everything falls apart.
The only viable solution requires 100% PMI testing on every individual flange using calibrated XRF analyzers, eliminating material certification risks through a certified processes.
Every factory out there claims they check their flanges with those XRF guns Piece by Piece. In all of Tsingshan Group’s backyard, only 3 manufacturers actually full-test every piece. We’re one of them.
Why Small Foundries happen the mix-ups?
These monster forging machines won’t start unless you order over 15 tons , like buying 100 pens when you need 10 . Factories have to mash together different steel batches.
Keeping materials separate costs small foundries 28% extra, like trying to sort Legos with a toddler wrecking them daily.
6/10 suppliers can’t track materials properly, it’s shipping mystery boxes that’ll bite us when things go wrong.
What is the standard lead time for orders? How do you handle delays caused by emergencies (e.g., pandemics, logistics disruptions)?
The standard lead time is 1 week, adjusted based on product complexity and order volume.
For unexpected risks, we implement the following measures:
—-Maintain backup suppliers and diversified logistics channels.
—-Monitor supply chain status in real time and provide early warnings to customers.
—-Prioritize critical orders and offer expedited service options.
What specific quality control steps are implemented during production?
Three-tier QC system:
—-Incoming Quality Control (IQC): Verify raw material specifications and certifications.
—-In-Process Quality Control (IPQC): Sample-test key parameters at each production stage.
—-Outgoing Quality Control (OQC): 100% visual/functional inspection, packaging checks, and destructive testing on samples.
—-Use SPC (Statistical Process Control) and automated inspection tools to ensure consistency.
How do you continuously improve product quality and on-time delivery rates?
Data-driven approach: Monthly analysis of customer complaints, return rates, and delivery performance.
PDCA Cycle (Plan-Do-Check-Act): Implement process upgrades or supplier training based on findings.
Closed-loop feedback: Regularly survey customer satisfaction and integrate results into KPI evaluations.
Intended Use: Suitable for supplier manuals, contract annexes, official websites, or sales communication to enhance client trust and reduce collaboration friction.
Need a Help?
Choose your Stainless Steel Flange with best reputable.
+86 18958822378
nathan979f@gmail.com
Click on any block to view the official standard book for any standard.
Introduction
ASME B16.5 is the American standard that covers pipe flanges and flanged fittings ranging from NPS ½ through NPS 24. It specifies the dimensions, pressure–temperature ratings, tolerances, materials, marking, and testing requirements for flanges commonly used in piping systems.
Flange types included: Welding Neck, Slip-On, Socket Weld, Threaded, Lap Joint, and Blind flanges.
Pressure classes: 150, 300, 400, 600, 900, 1500, and 2500.
Scope: The standard applies to both forged flanges and flanged fittings, ensuring dimensional uniformity and interchangeability.
Materials: Covers a wide range of ferrous and non-ferrous alloys, including carbon steel, stainless steel, alloy steel, and nickel alloys.
Tolerances: Strictly defines tolerances for flange thickness, bolt circle, bolt holes, and raised face height, ensuring safe and reliable connections.
This standard is widely adopted in industries such as oil & gas, chemical, power generation, shipbuilding, and water treatment, providing a unified specification for design, manufacturing, and inspection of flanges.
































Have You Any Question?
What to do if Mixed Materials are found in the project?
When materials get mixed up, it’s like building a Lego set with wrong pieces eventually everything falls apart.
The only viable solution requires 100% PMI testing on every individual flange using calibrated XRF analyzers, eliminating material certification risks through a certified processes.
Every factory out there claims they check their flanges with those XRF guns Piece by Piece. In all of Tsingshan Group’s backyard, only 3 manufacturers actually full-test every piece. We’re one of them.
Why Small Foundries happen the mix-ups?
These monster forging machines won’t start unless you order over 15 tons , like buying 100 pens when you need 10 . Factories have to mash together different steel batches.
Keeping materials separate costs small foundries 28% extra, like trying to sort Legos with a toddler wrecking them daily.
6/10 suppliers can’t track materials properly, it’s shipping mystery boxes that’ll bite us when things go wrong.
What is the standard lead time for orders? How do you handle delays caused by emergencies (e.g., pandemics, logistics disruptions)?
The standard lead time is 1 week, adjusted based on product complexity and order volume.
For unexpected risks, we implement the following measures:
—-Maintain backup suppliers and diversified logistics channels.
—-Monitor supply chain status in real time and provide early warnings to customers.
—-Prioritize critical orders and offer expedited service options.
What specific quality control steps are implemented during production?
Three-tier QC system:
—-Incoming Quality Control (IQC): Verify raw material specifications and certifications.
—-In-Process Quality Control (IPQC): Sample-test key parameters at each production stage.
—-Outgoing Quality Control (OQC): 100% visual/functional inspection, packaging checks, and destructive testing on samples.
—-Use SPC (Statistical Process Control) and automated inspection tools to ensure consistency.
How do you continuously improve product quality and on-time delivery rates?
Data-driven approach: Monthly analysis of customer complaints, return rates, and delivery performance.
PDCA Cycle (Plan-Do-Check-Act): Implement process upgrades or supplier training based on findings.
Closed-loop feedback: Regularly survey customer satisfaction and integrate results into KPI evaluations.
Intended Use: Suitable for supplier manuals, contract annexes, official websites, or sales communication to enhance client trust and reduce collaboration friction.
Need a Help?
Choose your Stainless Steel Flange with best reputable.